网站无障碍
适老版
首页
28165万彩网
志鉴编纂
机关党建
政务公开
调查征集
首页
>
公告栏
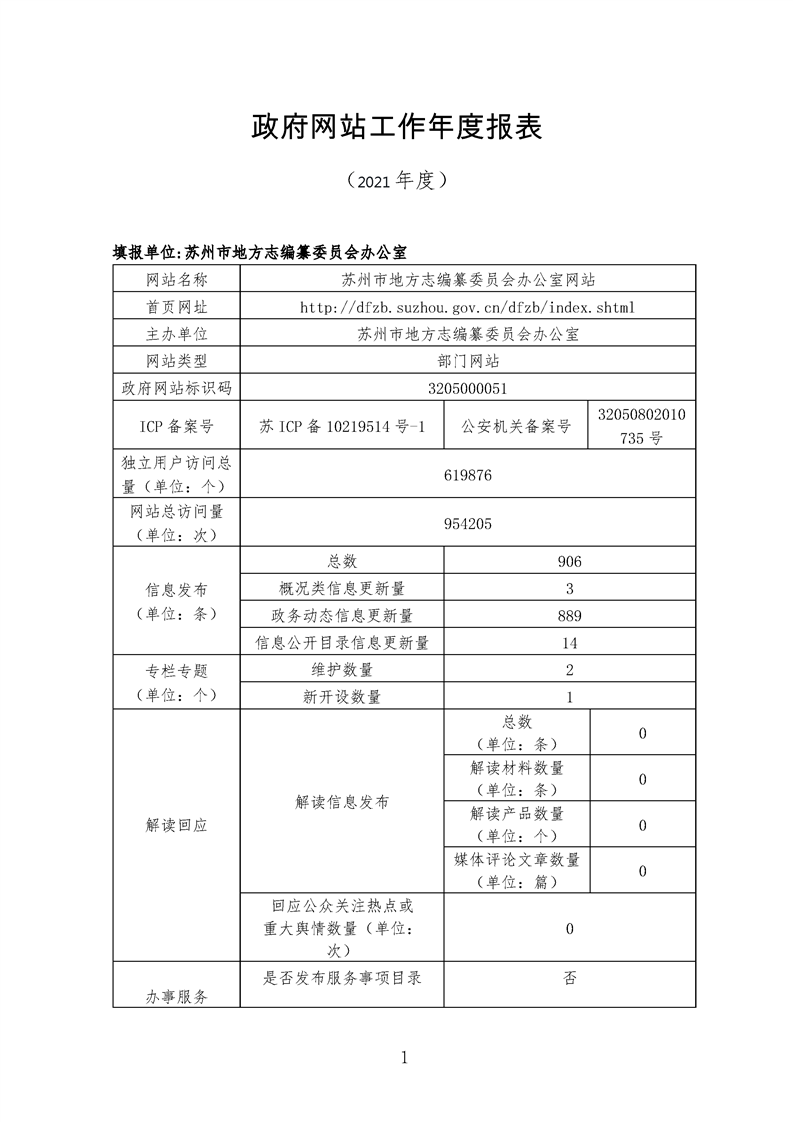
2021年度政府网站工作年度报表
时间:
2022-01-06 10:08
来源:
苏州市地方志编纂委员会办公室(市方志馆)
访问量:
相关文件:
扫一扫在手机打开当前页
分享到:
【打印页面】
【关闭页面】